泊头市抖阴下载涩泵业有限公司

抖阴视频成人版污找抖阴下载涩泵业咨询电话:13931762407
热门点击:
   
公司动态 news
  KCB抖阴视频成人版污结构特点
KCB抖阴视频成人版污有齿轮,轴,泵体,安全阀,轴端密封(特殊要求,可选用磁力驱动,零泄漏结构)等组成.齿轮经热处理有较高的硬度和强度,与轴一同安装在可更换的轴套内运转.泵内全部零件的润滑均在泵.....
油泵产品列表  
抖阴视频成人版污
抖阴视频污免费在线观看下载
抖阴视频APP污网页
保温沥青泵
单螺杆泵
双螺杆泵
三螺杆泵
自吸式离心泵
渣浆泵
高粘度泵
化工泵
船用泵
磁力泵
渣油泵系列
 
 
产品中心 当前位置 > 抖阴下载涩泵业 > 产品展示 > 高粘度泵 >
 
  • 内啮合高粘度泵
  • -详细参数
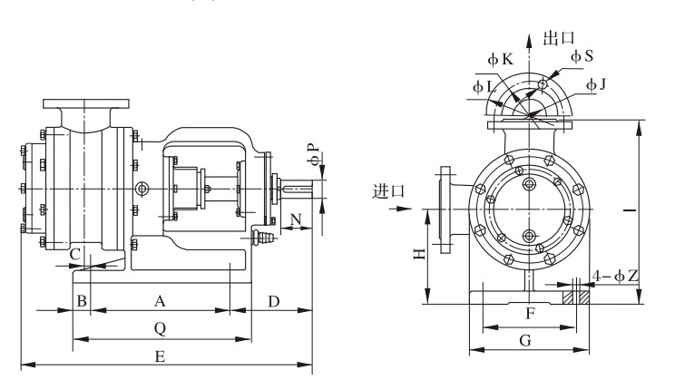
NYP系列内啮合高粘度泵结构图
NYP不锈钢内环式高粘度泵结构图
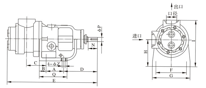
NYP系列内啮合高粘度泵配减速电机整机安装尺寸图
NYP不锈钢保温泵配减速电机整机安装尺寸图
型号LL1L2L3L4HH1H2BB1B2B3DD1  Decelerator
型号功率KW转速r/min
NYP7.010289138459011532725316327022522590G11/2"φ20YCJ713583
455
NYP52136167576790130480355225400308340130G2"φ22YCJ1127.5228
135167576790130533355225400308340130G2"φ22YCJ1007.5303
357
143667576790130533355225400308340130G2"φ22YCJ10011475
NYP1111500154558890227585495285525385475210φ80φ22YCJ11215305
417
479
NYP72724232009501259330825935615580520520320φ150φ28YCJ31537128

NYP7.0(A)泵头外形尺寸

NYP7.0(A)泵头外形尺寸
泵型号理论排量
L/100r
ABCDEFGHIQNPZ口径
NYP7.0A
(原NYP3A)
7.05816991473751401728817890431913G11/2"


NYP24,NYP80,NYP111(A),NYP727泵头外形尺寸

NYP24,NYP80,NYP111(A),NYP727泵头外形尺寸


型号理论排量
L/100r  
ABCDEFGHIJKLNPQSZ
NYP242412030941965182002401603205012516557301804-φ1818
NYP808017027.5138.5183.55922202551803908016020075422258-φ1815
NYP111
(原NYP30A)
111170251421886162202551803908016020058402258-φ1815
NYP111
(原NYP30A)
1113403031986882202802204308016020075424208-φ1820
NYP32032034035120.5268849330400260520125210250120654108-φ1822
NYP727
(原NYP50A)
727410401702601060370450360680150240285120805308-φ1822

NYP系列内啮合高粘度泵输送高粘度树脂,聚氨酯,聚谜,聚乙烯等类似的高粘度物料;特别适用高粘度稠度介质的输送;泵头部、泵壳体、密封腔部分均可以带保温夹套。根据实际需要选择需要保温的位置;夹套与泵体铸造成一体,保温效果良好,能够避免焊接夹套产生的各种问题;需加热时:通过热蒸汽、导热油等各种热媒通入夹套。
●NYP系列内啮合高粘度泵的优点:
(1)输送液体平稳,无脉动,振动小,噪音低。
(2)有很强的自吸性能。
(3)正确选用零件材料,可输送多种有腐蚀性的介质,使用温度可达300℃。
(4)内外转子转向相同,磨损小,使用寿命长。
(5)泵的转速与流量呈线性函数关系,可适当改变转速来改变泵的流量。
(6)特别适合高粘稠度介质的输送。
●NYP系列内啮合高粘度泵概述:
    NYP系列内啮合高粘度泵是根据石油、化工、涂料、油脂、医药、染料、食品等行业的需求,研制开发的新型容积式泵,由于该产品可选用不同的材质和其独特的结构,因此广泛应用于不同性质,不同粘度的介质输送。
适用介质温度:-10℃ —200℃
适用介质粘度:1.0cSt—300,000cSt
●NYP系列内啮合高粘度泵结构特点:
       (1)工作原理
具有内齿的驱动齿轮(外转子)带动内转子在全封闭的泵体内作同方向转动,泵体和前盖的月牙板使吸入口和排出口隔开。转动时在吸入口形成负压,液体被吸入,转子将液体带到排出口,受压排出泵体,完成了液体的输送。
(2)结构
该系列高粘度泵主要由内外转子、轴、泵体、前盖、托架、密封、轴承等组成。密封有机械密封和填料密封两种形式,对于高温、高粘稠度及腐蚀性较强的介质,选用填料密封(特殊要求,可选用磁力驱动,零泄露结构)。
输送易结晶物料时,在前盖和泵体上可设计带有保温夹套,工作时通蒸汽保温融化。泵可配安全阀,当泵或管路系统超压时,安全阀打开,形成内部回流,保障系统安全。
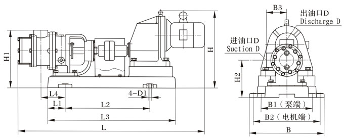
泵装置由泵、电机和底座组成。传动方式有桥式和直联式两种。

NYP内啮合高粘度泵性能参数表:


型号

流量

压力
Mpa
吸入及排出管口径
必须汽蚀余量m
效率
%
减速方式

m3/h

I/min

功率
KW
转速
r/min
减速机
NYP3/1.0
2
33.3
1.0
Rp11/2
5
45
3
587
YCJ71

NYP10/1.0

6
100

1.3

Rp2

45
7.5
228
YCJ112
8
133.3
1.0
Rp2
45
7.5
303
YCJ100
10
166.7
Rp2
51
7.5
357
YCJ100
12
200
Rp2
54
7.5
475
YCJ100

NYP30/1.0

18
300
¢80
54
15
305
YCJ112
22
366.7
¢80
58
15
359
YCJ112
28
466.7
¢80
65
15
479
YCJ112
NYP50/1.0
50
833.3
¢150
52
37
128
YCJ315
80
1333.3
¢150
58
45
208
YCJ355
100
1666.6
¢150
65
55
253
YCJ355
NYP3/1.0
1.5
25
Rp11/2
43
3
480

皮带轮传动

2
33.3
Rp11/2
43
3
640
NYP10/1.0
8
133.3
Rp2
43
7.5
303
10
166.7
Rp2
49
7.5
357
12
200
Rp2
51
7.5
475
NYP3/1.0
3
50
1
Rp11/2

55
3
960

Y132S-6

与电机直联

密封方式:用户需要


 相关新闻
 相关产品
上一篇:没有了

泊头市抖阴下载涩泵业制造有限公司  手机:13931762407 电话:0317-8285333 传真:0317-8356252 联系人:吴经理 
邮箱:chinayoubeng@163.com 地址:河北省泊头市
网址:www.shidaicity.com Copyright 泊头市抖阴下载涩泵业制造有限公司 all Rights Reserved .冀ICP备44185942号-1
网站地图