泊头市抖阴下载涩泵业有限公司

抖阴视频成人版污找抖阴下载涩泵业咨询电话:13931762407
热门点击:
   
公司动态 news
  KCB抖阴视频成人版污结构特点
KCB抖阴视频成人版污有齿轮,轴,泵体,安全阀,轴端密封(特殊要求,可选用磁力驱动,零泄漏结构)等组成.齿轮经热处理有较高的硬度和强度,与轴一同安装在可更换的轴套内运转.泵内全部零件的润滑均在泵.....
油泵产品列表  
抖阴视频成人版污
抖阴视频污免费在线观看下载
抖阴视频APP污网页
保温沥青泵
单螺杆泵
双螺杆泵
三螺杆泵
自吸式离心泵
渣浆泵
高粘度泵
化工泵
船用泵
磁力泵
渣油泵系列
 
 
产品中心 当前位置 > 抖阴下载涩泵业 > 产品展示 > 抖阴视频成人版污 >
 
  • KCB不锈钢抖阴视频成人版污
  • -详细参数

KCB不锈钢抖阴视频成人版污用途

KCB不锈钢抖阴视频成人版污主要用于各种机械设备中的润滑系统中输送润滑油,适用于输送粘度为5×10-6~1.5×10-3m2/s (5-1500cSt),温度在300℃以下的具有润滑性的油料.不锈钢抖阴视频成人版污,可输送无润滑性的油料,饮料,低腐蚀性的液体.配用铜齿轮可输送低内点液体,如汽油,苯等.本系列不锈钢泵除配置普通电机外,还可根据用户需要配置同规格的防爆电机.材质:304.316.316L不锈钢.

KCB不锈钢抖阴视频成人版污适用范围
在输油系统中可用作传输,增压泵;
在燃油系统中可用作输送,加压,喷射的燃油泵;
在卫生条件要求较高的场合,如医药,食品等行业;在有弱腐蚀性的场合,如精细化工,化妆品,印染,酿造行业.
在一切工业领域中,均可作润滑油泵用.

KCB不锈钢抖阴视频成人版污结构特点
KCB不锈钢抖阴视频成人版污主要有齿轮,轴,泵体,安全阀,轴端密封所组成.齿轮经热处理有较高的硬度和强度,与轴一同安装在可更换的轴套内运转.泵内全部零件的润滑均在泵工作时利用输出介质而自动达到.
KCB不锈钢抖阴视频成人版污内有设计合理的泄油和回油槽,是齿轮在工作中承受的扭矩力小,因此轴承负荷小,磨损小,泵效率高.
KCB不锈钢抖阴视频成人版污设有安全阀作为超载保护,安全阀的全回流压力为泵额定排除压力的1.5倍,也可在允许排出压力范围内根据实际需要另外调整.但注意本安全阀不能作减压阀的长期工作,需要时可在管路上另行安装.
从主轴外伸端向泵看,为顺时针旋转.
大流量齿轮油泵,抖阴视频成人版污,缷油泵,输油泵,原油泵,船用抖阴视频成人版污等.
流量:1.1m3/h-600m3/h压力:0.28MPa--2.5MP.
KCB不锈钢抖阴视频成人版污主要用于油田,油库,港口,码头,船舶等大流量输油,卸油!

KCB不锈钢抖阴视频成人版污的使用注意事项:
(1)安装完毕后,用手转动联轴器检查有无碰擦现象。
(2)为防止杂物进人泵内,泵进口处设过滤器,过滤面积大于管路截面积的3一4倍。
(3)严禁空运转。
(4)扬程高的泵在出口管路上应装止回阀,以防突然停机的水锤破坏。
(5)开泵程序:开车前打开进口阀门,将泵内灌满须输送的液体;关闭出口阀;点动电扬机,检查泵的转向是否正确;泵启动后,出口阀应缓慢开启,KCB不锈钢抖阴视频成人版污达到正常运行状态后,再将出口阀调到所需开度。试运转5--10min,如无异常,可投入运行。
停车程序:关闭出口阀门;切断电源;关闭进口,长期停机不用时,清洗泵内流道并切断电源。 KCB不锈钢抖阴视频成人版污齿轮采用渐开线斜齿轮结构,采用耐腐蚀氟胶骨架油封和聚四氟高温填料密封组合装配,密封效果好,耐温高。特殊工况条件可以采用不锈钢耐腐蚀机械密封。
KCB不锈钢抖阴视频成人版污型泵在泵体中装有一对回转齿轮,依靠两齿轮的相互啮合,把泵内的整个工作腔分两个独立的部分。
KCB不锈钢齿轮油泵运转时主动齿轮带动被动齿轮旋转,当齿轮脱开啮合时在吸入侧就形成局部真空,液体被吸入。被吸入的液体充满齿轮的各个齿谷而带到排出侧,齿轮进入啮合时液体被挤出而排出泵外。


KCB不锈钢抖阴视频成人版污性能参数表

型号

流量 Q

转速 n
r/min
排出压力 p
Mpa
必需汽
蚀余量
r
m
效率
η
%
电机
m3/hL/min

功率KW

型号

KCB-18.31.118.314001.455441.5Y90L-4
2CY-1.1/1.45
KCB-33.3233.314201.455442.2Y100L1-4
2CY-2/1.45
KCB-553.35514000.337411.5Y90L-4
2CY-3.3/0.33
KCB-83.3583.314200.337432.2Y100L1-4
2CY-5/0.33
KCB-13581359400.335462.2Y112M-6
2CY-8/0.33
KCB-2001220014400.335464Y112M-4
2CY-12/0.33
KCB-300183009600.365425.5Y132M2-6
2CY-18/0.36
KCB-483.329483.314400.365.54211Y160M-4
2CY-29/0.36
KCB-633386339700.2864311Y160L-6
2CY-38/0.28
KCB-9605896014700.286.54318.5Y180M-4
2CY-58/0.28
KCB-12007212007400.674337Y280S-8
KCB-160095160098045Y280S-6
KCB-180011218007400.67.54355Y315S-8
KCB-2500150250098575Y315S-6
KCB-285017028507400.684490Y315L1-8
KCB-38002303800989110Y315L1-6
KCB-410024541007430.6844132Y355M1-8
KCB-54003255400989160Y355M1-6
KCB-560033056007440.6844160Y355M2-8
KCB-76004607600989200Y355M3-6
KCB-700042070007440.6844185Y355L1-8
KCB-96005709600989250Y355L2-6

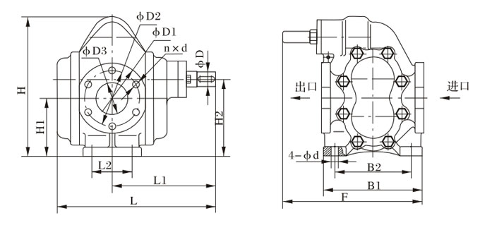
KCB200-960型抖阴视频成人版污外型、安装尺寸

KCB200-960型抖阴视频成人版污外型、安装尺寸

型号LL1L2B1B2HH1H2FφD1φD2φD3n×dφD4-φd
KCB-20029020066214160263.5118152.5300140110504-M122813
KCB-30035423090225180308128170318155123706-M143216
KCB-483.335423090225180308128170318155123706-M143216
KCB-6334152701202801753851882053801901581008-M143818
KCB-9604152701202801753851882053801901581008-M143818

KCB-200--KCB-960整机外形,安装尺寸及重量

KCB-200--KCB-960整机外形,安装尺寸及重量

型号LL1L2L3L4n×φHH1H2H3H4BB1B2B3B4DD1D2n×d重量
Weight(kg)
KCB-20070957741958904×φ1635531416820250326290240190214φ50φ110φ1404×M12135
KCB-300883715502801244×φ2242337819824070390340280210228φ70φ123φ1556×M14173
KCB-483.39727955658901244×φ2246537819824070450400290255228φ70φ123φ1556×M14213
KCB-63310749016291001454×φ2250045525827570450400285255280φ100φ158φ1908×M14274.5
KCB-96010999006351001454×φ2252545528327570470420285285280φ100φ158φ1908×M14304.5


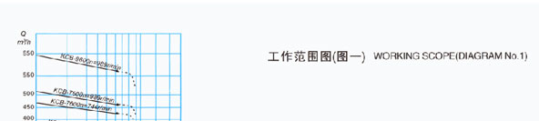
KCB系列抖阴视频成人版污性能曲线图

各型抖阴视频成人版污性能参数中给出的排出压力是给出的大工作压力值,在此范围内泵均能正常工作,其工作范围见下图。
 KCB系列抖阴视频成人版污性能曲线图

KCB系列抖阴视频成人版污工作范围图


KCB系列抖阴视频成人版污工作范围图
KCB系列抖阴视频成人版污工作范围图
KCB系列抖阴视频成人版污工作范围图
KCB系列抖阴视频成人版污工作范围图
KCB系列抖阴视频成人版污工作范围图



 相关新闻
 相关产品

泊头市抖阴下载涩泵业制造有限公司  手机:13931762407 电话:0317-8285333 传真:0317-8356252 联系人:吴经理 
邮箱:chinayoubeng@163.com 地址:河北省泊头市
网址:www.shidaicity.com Copyright 泊头市抖阴下载涩泵业制造有限公司 all Rights Reserved .冀ICP备44185942号-1
网站地图