泊头市抖阴下载涩泵业有限公司

抖阴视频成人版污找抖阴下载涩泵业咨询电话:13931762407
热门点击:
   
公司动态 news
  KCB抖阴视频成人版污结构特点
KCB抖阴视频成人版污有齿轮,轴,泵体,安全阀,轴端密封(特殊要求,可选用磁力驱动,零泄漏结构)等组成.齿轮经热处理有较高的硬度和强度,与轴一同安装在可更换的轴套内运转.泵内全部零件的润滑均在泵.....
油泵产品列表  
抖阴视频成人版污
抖阴视频污免费在线观看下载
抖阴视频APP污网页
保温沥青泵
单螺杆泵
双螺杆泵
三螺杆泵
自吸式离心泵
渣浆泵
高粘度泵
化工泵
船用泵
磁力泵
渣油泵系列
 
 
产品中心 当前位置 > 抖阴下载涩泵业 > 产品展示 > 抖阴视频成人版污 >
 
  • KCB系列抖阴视频成人版污
  • -详细参数

KCB系列抖阴视频成人版污用途
KCB系列抖阴视频成人版污适用于输送不含固体颗粒和纤维,无腐蚀性,温度不高于80℃,粘度为5×10-6~1.5×10-3m2/s (5-1500cSt)的润滑油或性质类似润滑油的其他液体.
KCB系列抖阴视频成人版污应用范围
在输油系统中可用作传输,增压泵;
在燃油系统中可用作输送,加压,喷射的燃油泵;
在一切工业领域中,均可作润滑油泵用.

KCB系列齿轮油泵结构特点
KCB系列齿轮油泵主要有齿轮,轴,泵体,安全阀,轴端密封所组成.齿轮经热处理有较高的硬度和强度,与轴一同安装在可更换的轴套内运转.泵内全部零件的润滑均在泵工作时利用输出介质而自动达到.
泵内有设计合理的泄油和回油槽,是齿轮在工作中承受的扭矩力小,因此轴承负荷小,磨损小,泵效率高.
泵设有安全阀作为超载保护,安全阀的全回流压力为泵额定排除压力的1.5倍,也可在允许排出压力范围内根据实际需要另外调整.但注意本安全阀不能作减压阀的长期工作,需要时可在管路上另行安装.从主轴外伸端向泵看,为顺时针旋转.

KCB齿轮油泵是有泵体、前后泵盖、齿轮、主被动轴、轴承、安全阀和轴端密封等零件组成。
KCB18.3——83.3主传动齿轮是一对斜齿园柱齿轮,KCB齿轮油泵直动式安全阀。
KCB200—960主传动齿轮是四个斜齿轮组成的人字形齿轮组,差压式安全阀。
KCB齿轮油泵全系列KCB齿轮油泵用三爪式弹性联轴器与电动机组成的油泵机组。
KCB齿轮油泵结构简单紧凑,使用维护方便,运转平稳,使用安全可靠。
KCB齿轮油泵适用于输送介质粘度不大于150mm2/S,KCB齿轮油泵温度不高于80℃,无腐蚀性,不含硬质颗粒杂质和纤维的重油、柴油、机械油、植物油以及性质类似的其它液体。
KCB齿轮油泵主要用于石油、化工、冶金、矿山、KCB齿轮油泵电站等行业油类介质的转输、增压、燃油喷射等以及大型机械设备中稀油循环中,KCB齿轮油泵在各类机械设备中均可做润滑泵使用。

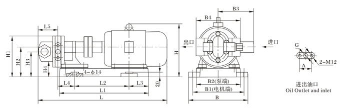
型号LL1L2L3L4BB1B2B3HH1H2φDG4-φd
KCB-18.3217.535801151619215012066136906920G3/4"16
KCB-33.323142.5801151619215012066136906920G3/4"16
KCB-5524650801151619215012066136906920G1"16
KCB-83.327162801151619215012066136906920G11/2"16


KCB-18.3~KCB-83.3外型、安装尺寸及重量

 KCB-18.3~KCB-83.3外型、安装尺寸及重量

型号LL1L2L3L4L5HH1H2H3H4BB1B2B3B4AG重量
Weight(kg)
KCB-18.35663912398675862301761301094025922519015519252G3/4"62.15
KCB-33.36184162568682932851861401195027924519018019252G3/4"66.8
KCB-555953912398689.5100.52301761301094025922519015519270G1"64.15
KCB-83.3652416256941021132851861401195027924519018019278G11/2"70.15

KCB型抖阴视频成人版污性能参数


型号
流量 Q转速 n
r/min
排出压力
pMpa
必需汽
蚀余量rm
效率
η
%
电动机
m3/hL/min功率KW
型号
KCB-18.31.118.314001.455441.5Y90L-4
2CY-1.1/1.45
KCB-33.3233.314201.455442.2Y100L1-4
2CY-2/1.45
KCB-553.35514000.337411.5Y90L-4
2CY-3.3/0.33
KCB-83.3583.314200.337432.2Y100L1-4
2CY-5/0.33
KCB-13581359400.335462.2Y112M-6
2CY-8/0.33
KCB-2001220014400.335464Y112M-4
2CY-12/0.33
KCB-300183009600.365425.5Y132M2-6
2CY-18/0.36
KCB-483.329483.314400.365.54211Y160M-4
2CY-29/0.36
KCB-633386339700.2864311Y160L-6
2CY-38/0.28
KCB-9605896014700.286.54318.5Y180M-4
2CY-58/0.28
KCB-1200721200740 0.6 7 4337Y280S-8
KCB-160095160098045Y280S-6
KCB-18001121800740 0.6 7.5 4355Y315S-8
KCB-2500150250098575Y315S-6
KCB-28501702850740 0.6 8 4490Y315L1-8
KCB-38002303800989110Y315L1-6
KCB-41002454100743 0.6 8 44132Y355M1-8
KCB-54003255400989160Y355M1-6
KCB-56003305600744 0.6 8 44160Y355M2-8
KCB-76004607600989200Y355M3-6
KCB-70004207000744 0.6 8 44185Y355L1-8
KCB-96005709600989250Y355L2-6


 相关新闻
 相关产品

泊头市抖阴下载涩泵业制造有限公司  手机:13931762407 电话:0317-8285333 传真:0317-8356252 联系人:吴经理 
邮箱:chinayoubeng@163.com 地址:河北省泊头市
网址:www.shidaicity.com Copyright 泊头市抖阴下载涩泵业制造有限公司 all Rights Reserved .冀ICP备44185942号-1
网站地图